Электронные каталоги автозапчастей
и программы по диагностике, ремонту,
обслуживанию иномарок

8 (926) 600-50-99      Софт-Авто.рф




Каталоги для СПЕЦТЕХНИКИ, трактора, погрузчики, экскаваторы и т.п
8 (926) 600-50-99


ALLDATA 10.53 2 квартал 2013 год
каталог по ремонту и обслуживанию автомобилей


ALLDATA 10.53

ALLDATA - это каталог по ремонту и обслуживанию иномарок.

ALLDATA 10.53
- жизненно необходимый инструмент для грамотной и эффективно организованной работы автосервиса, СТО или ремонтной мастерской.

ALLDATA
- это самый полный каталог из всех существующих программ поможет вашим механикам и электрикам обслужить и отремонтировать свыше 1600 моделей автомобилей, поставляемых на американский рынок от изготовителей США, Европы и Азии.




Дата обновления - по август 2013 г.

Каталог Alldata 10.53, содержит полное описание ремонтных и эксплуатационных работ для автомобилей американского производства, а также автомобилей азиатского и европейского производства выпущенных для американского рынка сбыта.

Руководство по ремонту иномарок Alldata 10.53 (Оллдата) содержит пошаговое описание технологии диагностики, ремонта и технического обслуживания. Там вы найдете информацию о номерах и стоимости запчастей и работ, порядок разборки и сборки, документацию по ремонту и диагностике, расчет нормо-часов (нормы времени), схемы электропроводки и вакуумные диаграммы. В системе приведены возможные неисправности и методы их устранения, а также много другой информации, незаменимой для ремонта иномарок производства 1982-2014 гг.

С программой Alldata 10.53, вы можете не только ремонтировать, но и заниматься диагностикой неисправностей электронных узлов автомобиля. Для этого для вас имеется следующая информация: Расположение диагностического разъема, подробные таблицы расшифровок кодов неисправностей с указанием возможных причин неисправности, симптомов, а также последовательности проверок для устранения неисправности, описание содержания считываемых блоков текущих параметров с указанием нормативных значений, работа с каналами адаптации.

Информационная система Alldata отличается полнотой и развернутостью предоставленной информации, а так же удобством навигации и поиска по каталогу Alldata. Материал предоставляется с точки зрения информационных потребностей авторемонтной индустрии: освещаются такие сферы ремонта автомобиля как обслуживание, диагностика и ремонт, детали и их замена, техническая поддержка.

Иерархическая структура «транспортное средство - система - подсистема – компонент» обеспечивает простой и быстрый доступ к искомым данным.
Найденная информация обязательно соответствует указанному году выпуска, марке, модели и двигателю автомобиля. Наличие гиперссылок внутри страниц каталога Alldata позволяет легко переходить к другим статьям по той же тематике.
Система навигации сохраняет просмотренные элементы, и к ним легко вернуться. На экране одновременно отображается и инструкция по ремонту и соответствующая ей иллюстрация, поэтому больше не нужно переключаться между различными окнами.
Масштабирование позволяет рассмотреть все подробности схем и рисунков. Очень удобен поиск деталей автомобиля. Нужно просто выбрать деталь на схеме расположения компонентов и узлов, и система автоматически покажет ее номер у производителя, цену, и время, требуемое на замену данной детали. Следует обратить внимание на систему технических бюллетеней представленных в Alldata.

В них представлены рекомендации по устранению типичных неисправностей автомобиля. В отличие от других информационных систем в системе Alldata все бюллетени связаны с уровнем компонентов. Поэтому при просмотре информации, по которой имеется технический бюллетень, система это показывает, и его легко можно открыть щелчком мыши по соответствующему разделу.

Также обеспечен быстрый доступ к информации о таких стандартных процедурах как регулировка опережения зажигания, скорости холостого хода, порядка зажигания, давления топлива и топливно-воздушной смеси. Система также позволяет пользователям делать свои заметки, которые остаются даже после обновления базы данных Alldata.

ALLDATA 10.53 имеет настолько простой и понятный интерфейс, что даже начинающий пользователь без труда найдет все, что ему нужно для ремонта и диагностики автомобиля.

В программе Alldata представлены следующие марки автомобилей выпущенные для американского рынка:

ALLDATA 10.53 Chrysler Cars 1982-10 /Chrysler Trucks 1990-10 Dodge Cars 1982-10 / Dodge Trucks 1982-10 Eagle Cars1982-98 / Jeep Trucks 1982-10 / Plymouth Cars 1982-01 / Plymouth Trucks 1982-00/ Ford Cars 1982-10 / Ford Trucks 1982-10 / Lincoln Cars 1982-10 / LincolnTrucks 1998-10 / Mercury Cars 1982-10 / Mercury Trucks 1993-10 / Buick Trucks2002-10 / Buick Cars 1982-10 / Cadillac Trucks 1999-10 / Cadillac Cars 1982-10/ Chevrolet Trucks 1982-10 / Chevrolet Cars 1982-10 / GMC Trucks 1982-10 / GeoTrucks 1989-97 / Hummer 2003-10 / Olds Trucks 1990-04 / Oldsmobile Cars 1982-04/ Pontiac Trucks 1990-10 / Pontiac Cars 1982-10 / Saturn Trucks 2002-10 /Saturn Cars 1991-10 / Geo Cars 1989-97 / / Acura Cars 1986-10 / Acura Trucks1996-10 / Daewoo 1999-02 / Daihatsu Cars 1988-92 / Daihatsu Trucks 1990-92 /Honda Cars 1982-10 / Honda Trucks 1994-10 / Hyundai Cars 1986-10 / HyundaiTrucks 1986, 2001-10 / Infiniti Cars 1990-10 / Infiniti Trucks 1997-10 / IsuzuCars 1982-93 / Isuzu Trucks 1982-10 / Lexus Cars 1990-10 / Lexus Trucks 1996-10/ Mitsubishi Cars 1983-10 / Mitsubishi Trucks 1983-10 / Nissan Cars 1982-10 /Nissan Trucks 1982-10 / Subaru Cars 1982-10 / Subaru Trucks 1982-88 / Kia 1993-10/ Kia Trucks 1995-10 / Land Rover 1987-10 / Mazda Cars 1982-10 / Mazda Trucks1982-10 / Suzuki Cars 1989-10 / Suzuki Trucks 1986-10 / BMW 1982-10 / Mini2002-10 / Volkswagen Cars 1982-10 / Volkswagen Trucks 1982-03 / Mercedes BenzCars 1982-10 / Mercedes Benz Trucks 1998-10 / Saab 1982-10 / Audi 1982-10 /Jaguar 1982-10 / Porsche 1982-10 / Peugeot 1982-93 / Renault 1982-87 / Volvo1982-10 / Yugo 1986-92.


Вы так же можете скачать
полный список автомобилей представленных в программе ALLDATA 10.53

ALLDATA - справочник будет полезен так же и автовладельцам.

программа  по ремонту Mitchell

Лучшим аналогом программы ALLDATA 10.53 является,
программа по ремонту Mitchell OnDemand



ALLDATA 10.53 Описание программного обеспечения

Информация в каталоге ALLDATA10.53 представлена в следующем порядке: транспортное средство – система – подсистема – компонент. Благодаря удобному способу организации вы всегда быстро и без особых усилий найдете нужные сведения. Они выводятся в соответствии с поставленной задачей (например, определить год выпуска автомобиля, его точную модель, марку двигателя).

Для легкости перехода к прочим интересующим вас статьям в программе существуют гиперссылки между ее страницами. Сама же навигация программы ALLDATA10.53 сохраняет просмотренные вами элементы, и вы всегда можете к ним вернуться. Для вашего удобства программа выводит на экран одновременно как саму инструкцию по ремонту, так и иллюстрирование данного процесса. Программа ALLDATA 10.53 имеет функцию масштабирования, что облегчает увидеть даже мельчайшие детали.

Помимо удобного поиска информации, система ALLDATA10.53 позволяет делать свои заметки, которые остаются в базе программы и не исчезают после ее обновления.

Руководство по работе с электронной базой по ремонту иномарок ALLDATA

Описание основных разделов базы

Diagnosis and Repair< (раздел по ремонту и диагностике): расположение идентификационных данных, особенности устройства отдельных механизмов, нормативы различных параметров (объемы заправочных емкостей, углы установки колес и пр.), используемое диагностическое, ремонтное оборудование и специальный инструмент, описание работ по сборке, разборке, регулировке, ремонту и диагностике, информация о расположении компонентов, механизмов и др.

Конкретно для диагноста содержится следующая информация: расположение диагностического разъема, подробные таблицы расшифровок кодов неисправностей с указанием возможных причин неисправности, симптомов, а также последовательности проверок для устранения неисправности, описание содержания считываемых блоков текущих параметров с указанием нормативных значений, работа с каналами адаптации и т. д.

Информация в разделе разбита на блоки

Maintenance: описание сервисных интервалов обслуживания и содержания сервисных работ, необходимых запчастей. Приводятся нормативы, а также методы проверки тех или иных параметров. Проведение всех работ поясняется иллюстрациями.

Parts and Labour: оригинальные номера запчастей, иллюстрации, а также цены на запчасти в USD. В этом разделе также представлена информация по расчету нормо-часов. Вы быстро составите калькуляцию всех видов работ для любого автомобиля.

Popular Information: наиболее важная информация всей программы.

Diagnostic Trouble Codes: DTC - диагностические коды несправностей (причины, расшифровка ошибок и инструкции по их устранению).

Technical Service Bulletins: технические серисные бюллетени.

Specifications: спецификации (электрические, механические, заправочные объемы и типы жидкостей и.т.д.).

Locations: расположение компонентов электрооборудования (предохранителей, реле, блоков управления, переключателей, датчиков, соленоидов, моторчиков и.т.д.).

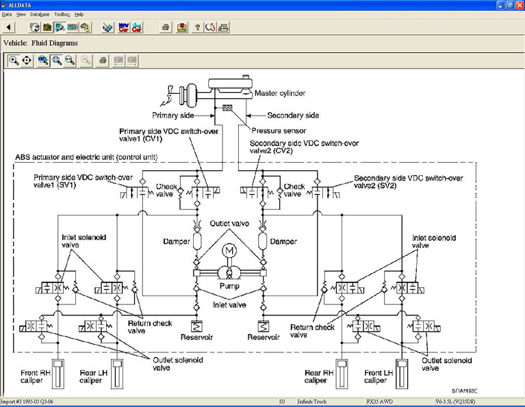
Diagrams: диагностическая информация и инструкции по устранению неисправностей, цветные электрические схемы, расположение разъемов и их распиновка, вакуумные диаграммы, виды жгутов проводов, и их расположение, и.т.д.

Service Precautions: инструкции по безопасности.

Technician Safety Information: техническая информация о безопасности.

Vehicle Damage Warnings: информация по безопасности при выполнении каких либо видов работ (например, работа с подушками безопасности AirBag).

Vehicle Identification: расположение идентификационных табличек автомобиля.

Tools and Equipment: инструменты и необходимое диагностическое оборудование.

System Diagnosis
Five-Step Troubleshooting
Troubleshooting Precautions
Troubleshooting Tests
General Troubleshooting
Power Relay Test

Язык ПРОГРАММЫ ALLDATA: только английский

Дата обновления: по август 2013 г

Установка : Windows XP, 7, 10 (32-64 bit)

Объем: 570gb

Примеры работы с каталогом ALLDATA:

 Alldata10.53 Alldata10.53Оболочка программы Alldata10.53Оболочка программы Alldata10.53

Alldata 10.53 Alldata 10.53Alldata 10.53 Alldata 10.53

Alldata 10.53Alldata 10.53Alldata 10.53 Alldata 10.53

Alldata 10.53Alldata 10.53Alldata 10.53Alldata 10.53




Стоимость каталога ALLDATA 10.53 (объемом 570gb) - 10000 руб.
(Полный список автомобилей представленный в программе Вы можете скачать Alldata 10.53)






ATSG
- программа по ремонту и обслуживанию автоматических коробок передач


ZF manual и каталог запчастей - содержит технические бюллетени и другую необходимую информацию по ремонту и обслуживанию автоматических коробок передач ZF от фирмы ZF Friedrichshafen AG 

AUTODATA - Руководство по ремонту, обслуживанию всех марок автомобилей

Nissan Service Manual - Сервис-мануалы электросхемы для автомобилей Nissan

программа  по ремонту Mitchell

Лучшим аналогом программы ALLDATA 10.53 является,
каталог по ремонту Mitchell OnDemand


Wurth WOW - диагностическая программа с мультисканером

Wurth WOW

Autocom CDP+ связь через USB и Bluetooth
Работает с протоколами SAE J1708, ISO11898-2 CAN, ISO9141-2, SAE J2411 VPW, SAE J1850, SAE J1850 PWM;



Узнайте подробности по телефону: 8 (926) 600-50-99

Наш e-mail: catalog-good@yandex.ru

На главную.