VOLVO ABG - Каталог запчастей, электросхемы,
гидравлические схемы для машин ABG
VOLVO ABG - Каталог запчастей, а так-же содержит информацию
электросхемы и гидравлические схемы для машин ABG
VOLVO ABG каталог запчастей предназначен для обслуживания телескопических асфальтоукладчиков Volvo,
колесных асфальтоукладчиков, стяжек, роликовых, фрезерных станков ABG.
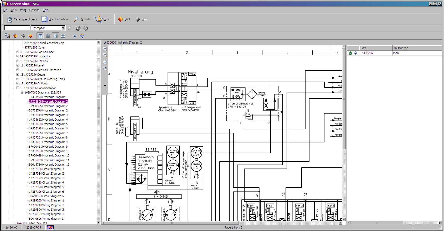
Каталог VOLVO ABG имеет очень информативный и дружественный интерфейс с поддержкой нескольких языков, кроме русского.
VOLVO ABG - каталог запчастей является одной из самых полных спецификаций по количеству оригинальных запасных частей, узлов и узлов.
Каталоге Volvo ABG содержится вся информация по оригинальным запчастям в программе множество иллюстраций
и списки деталей входящий в определенном узеле выбранной вами техники.
Список моделей представленных
в каталоге Volvo ABG Parts & service (Ingersoll Rand, Volvo):
Tracked Pavers
Titan 125
Titan 225
Titan 225 EPM
Titan 325
Titan 325 EPM
Titan 423-1
Titan 423-2
Titan 525
Titan 326
Titan 423-3
Titan 423-4
Titan 226
Titan 8820
Titan 5820
Titan 6820
Titan 7820
Titan 9820
TITAN 2820
Wheeled Pavers
Titan 273
Titan 273-1
Titan 273-2
Titan 373
Titan 373-1
Titan 373-2
Titan 473
Titan 473-1
Titan 473-2
Titan 3870
PF 176
Titan 6870
Titan 5870
Titan 5770
Screeds
Standard Combination Screed MB120
Standard Combination Screed MB122
Vibro-Duotamp Screed VDT120
Vibro-Duotamp Screed VDT121
Varioscreed VB76
Varioscreed VB81
Varioscreed VB30 ETC
Varioscreed VB78 ETC
Varioscreed VB78 GTC
Varioscreed VDT-V78 ETC
Varioscreed VDT-V78 GTC
Varioscreed VB88 ETC
Varioscreed VB88 GTC
Varioscreed VDT-V88 ETC
Varioscreed VDT-V88 GTC
Vario Screed VB891 ETC
Varioscreed VDT-V893 ETC
Varioscreed VB-V79 ETC
Varioscreed VB79 ETC
Varioscreed VB-T78 ETC
Varioscreed VB-T78 GTC
Varioscreed VB50 GTC
Varioscreed VB-V50 GHS
Varioscreed OMNI 1000
Roller
Roller Alexander DD95
Roller Alexander DD95-1
Roller Alexander DD85-1
Compactor DD24 / 624
Compactor DD22 / 622
Compactor SD122D TF European Version
Compactor SD77DX TF European Version
Compactor SD100D TF European Version
Compactor SD105DX TF European Version
Milling Machines
Milling Machine MW500
Пример работы с каталогом Volvo ABG Parts & service (Ingersoll Rand, Volvo):
Дата выпуска каталога Volvo ABG: по 06.2009
Разработчик: Volvo ABG
Установка: Windows-XP, 7,8,10 (32-64bit)
Язык интерфейса: английский, немецкий, французский, испанский, итальянский языки.
Объем данных - (1 DVD)
Цена каталога Volvo ABG Parts & service (Ingersoll Rand, Volvo) по 06-2009 - 8000 руб.
VOLVO TECH TOOL (PTT) 2.7 / VCADS PRO 2.7 / Volvo IS File editor - диагностическая программа для грузовиков автобусов
строительной техники Volvo Construction, Volvo Penta, Mack Trucks, Renault Trucks, UD Trucks (БЕЗ автосканера VOLVO VOCOM 88890300)
Volvo PROSIS Parts Catalog + Repair Manual - каталоге имеется вся необходимая информация по погрузчикам,
экскаваторам, грейдерам, асфальтоукладчикам фирмы VOLVO
Volvo Penta VODIA – диагностическая программа для моторов Volvo Penta
Volvo Penta - каталог запчастей для двигателей, энергетических систем морского и промышленного применения
Узнайте подробности по телефону: 8 (926) 600-50-99
Наш e-mail: catalog-good@yandex.ru

На главную. |