Ford WorkShop Manual USA 2006-2013 - руководство по ремонту
и электросхемы автомобилей FORD
Программа Ford WorkShop на английском языке очень полезна для автосервисов.
В ней содержится информация об автомобилях с 2006 годов выпуска компанией FORD.
Дата обновления - с 2006 по 2013 год
В базе есть сведения по автомобилю. Вы увидите коробки и двигатели, расположение различных с информацией об авто, интервалы обслуживания с перечнем работ, различные регулировочные данные (включая углы установки колёс), смазочные материалы и объёмы,
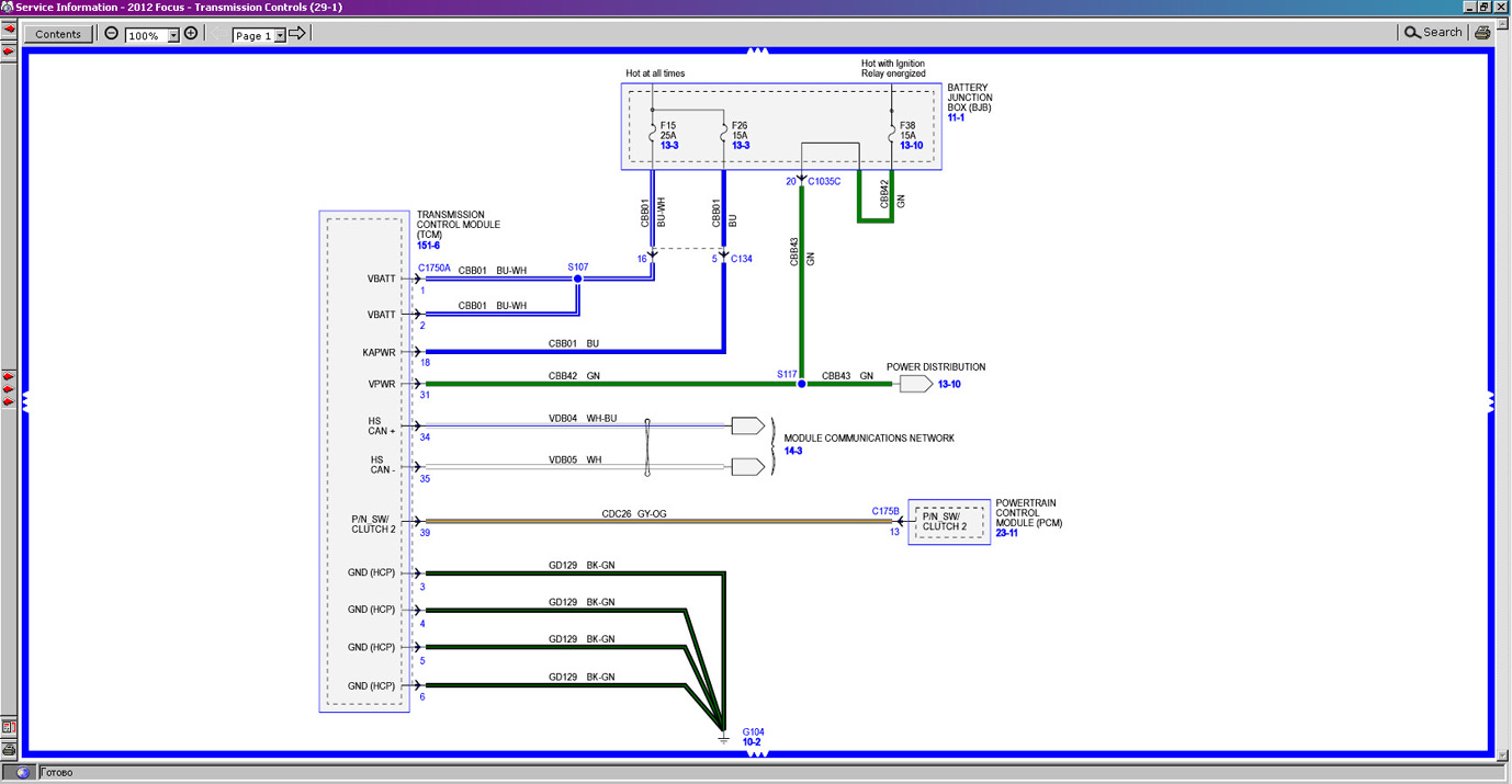
расположение установочных меток ГРМ, а также схемы электрооборудования FORD и рабочие диаграммы элементов.
содержит руководства по ремонту и сервисному обслуживанию автомобилей Форд с 2006 по 2013-й модельные годы.
Так же присутствуют электросхемы. Поэтапные описания ремонта узлов и агрегатов. Регулировочные данные и справочные материалы.
В Ford WorkShop Manual USA есть основные технические данные автомобиля, с указанием моментов затяжек узлов и соединений, коды самодиагностики.
В программе Ford руководство по ремонту вы сможете без специальных приборов проверить или отрегулировать машину, устранить неисправность.
Понятное меню в виде кнопок с картинками позволяет быстро найти нужный раздел. Программа проста и очень удобна в использовании.
Большое количество нужной информации делает программу Ford WorkShop Manual USA незаменимой как для начинающих автомехаников, так
и для мастеров.
Обладание и использование программы FORD руководство по ремонту добавит авторитета в глазах клиента любому автосервису.
Внешний вид программы:
Объем данных: 30 Gb
Программа записана на 6 DVD-дисков
Дата обновления - с 2006 по 12.2012
Язык: английский
Операционная система установка: Windows
Цена Ford WorkShop Manual USA 2006-2013 - 9000 руб
(Комплект с 2006 по 12,2012)
Каталог не имеет НИКАКИХ ограничений по сроку работы и по установки на компьютеры совместимы
с любой операционной системой WINDOWS-XP,7,8,10 (32-64bit)
Каталог установлен на виртуальную машину
VMware
не имеет ни каких ограниченийпо в работе на PC

Ford USA Snap-on EPC - каталог запчастей для автомобилей Форд американского рынка.
Wurth WOW - диагностическая программа с мультисканером

Autocom CDP+ связь через USB и Bluetooth
Работает с протоколами SAE J1708, ISO11898-2 CAN, ISO9141-2, SAE J2411 VPW, SAE J1850, SAE J1850 PWM;
Узнайте подробности по телефону: 8 (926) 600-50-99.
Наш e-mail: catalog-good@yandex.ru

На главную. |