Электронные каталоги автозапчастей
и программы по диагностике, ремонту,
обслуживанию иномарок

8 (926) 600-50-99




Каталоги для СПЕЦТЕХНИКИ, трактора, погрузчики, экскаваторы и т.п
8 (926) 600-50-99

Allison Transmission Service Manuals каталог по ремонту обслуживанию
автоматических коробок передач Allison




Allison Transmission manuals
- каталог содержит технические бюллетени и другую необходимую информацию по ремонту
и обслуживанию автоматических коробок передач Allison

Каталоге по ремонту Allison Transmission интерфейс максимально простой и удобный, поддерживает только английский язык.

Allison Transmission manuals представленна общая информация по ремонту и обслуживанию автоматических коробок передач Allison.

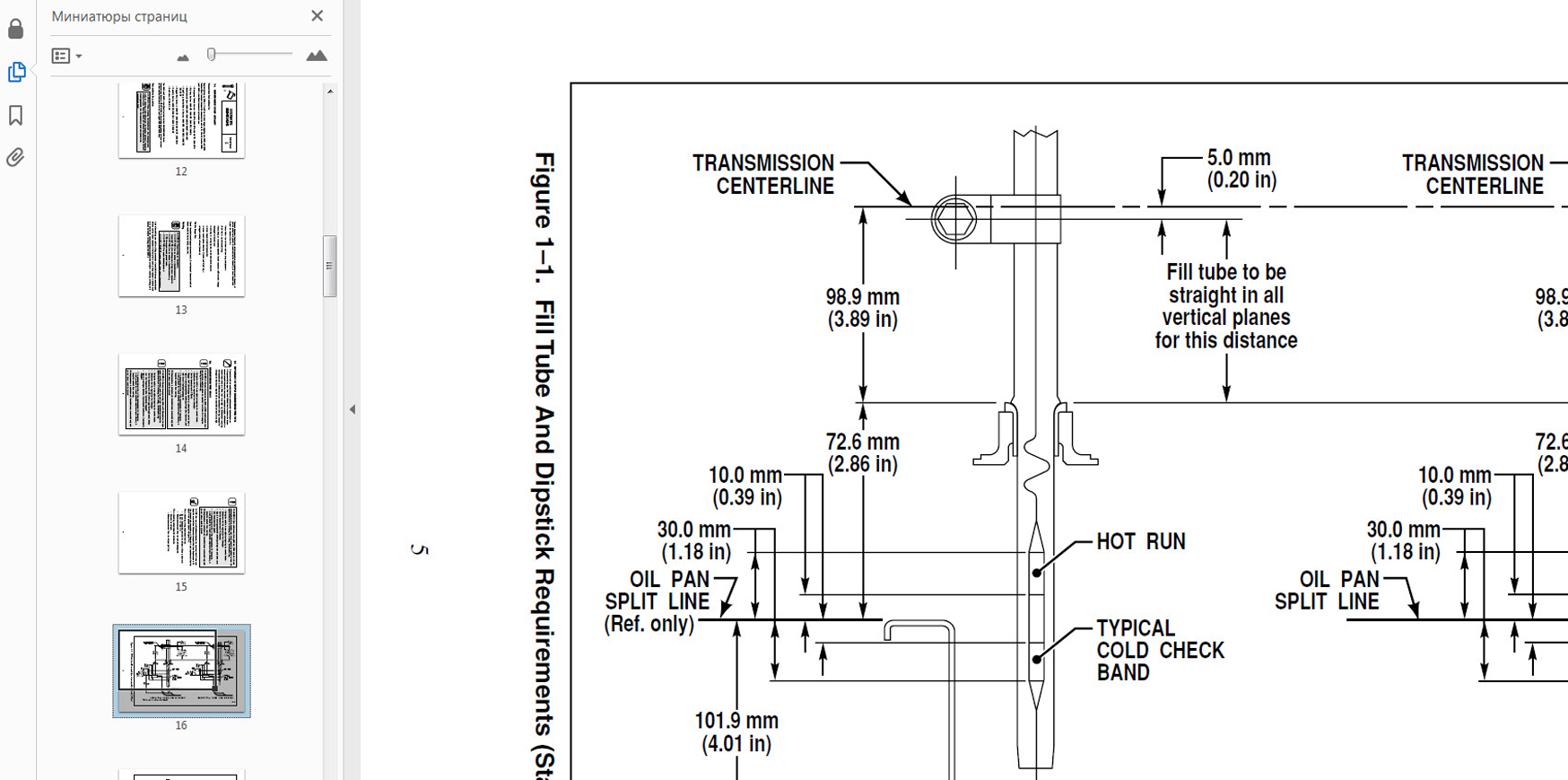
Allison Transmission manuals содержит большое количество иллюстраций, последовательности разборки и сборки узлов и агрегатов, данные по идентификации автоматических трансмиссий, много различной общетехнической информации.

Allison Transmission manuals каталоге есть детальное описание с большим количеством иллюстраций последовательности разборки-сборки, контрольные размеры, дефектация узлов и агрегатов. Программа Allison Transmission manuals достаточно проста и удобна в работе.

Особенно очень полезна данная программа Allison Transmission manuals будет тем, кто занимается ремонтом и обслуживанием АКПП.



Пример работы с Allison Transmission Manuals (руководство по ремонту и обслуживанию Allison):


Allison TransmissionAllison TransmissionAllison TransmissionAllison Transmission


Allison TransmissionAllison TransmissionAllison TransmissionAllison Transmission



Каталог запчастей Allison Transmission Connector Kits Catalog rev.161225

Allison ConnectorAllison ConnectorAllison Connector


Модели представленные в руководстве по ремонту Allison Transmission manuals:

Allison Transmission F6 Training Course EVT Student Handout
Allison Transmission 1000 AND 2000, 3000, 4000 PRODUCT FAMILIES WIRING SCHEMATIC APPENDIX J
Allison Transmission F6 Training Course EVT Student Handout.pdf
Allison Transmission GN4008EN 1000 and 2000 In-Chassis Maintenance 4th Gen 2007
Allison Transmission GN4008EN allison 4th generation controls manual
Allison Transmission GN4008EN allison 1000 AND 2000 4th generation controls manual
Allison Transmission JA3664EN 1000 Series™ 2000 Series™ 2000 MH Series 2400 Series™-Chassis Maintenance
Allison Transmission JA3664EN In-Chassis Maintenance 1000 And 2000 Product Families
Allison Transmission MT1321EN allison AT 500 & 1500 tips
Allison Transmission MT1321EN allison AT500 & AT1500 tips
Allison Transmission MT1366EN allison 700 series with hydraulic controlstips
Allison Transmission MT1958EN allison HT НТВ CLT CLBT electronic control transmissions tips manual
Allison Transmission MT1958EN allison HT, НТВ, CLT, CLBT 700 Series Electronic Control Transmissions
Allison Transmission MT3190EN 1000 and 2000 Product Family Transmissionsmanual
Allison Transmission MT3190EN1000 and 2000 Product Family Transmissions allison manual
Allison Transmission MT3190EN1000 Series™ 2000 Series™ 2000 MH Series 2400 Series™ Mechanic's Tips
Allison Transmission MT3190EN allison 1000 2000 tips.pdf 2
Allison Transmission MT3190EN allison 1000, 2000 tips.pdf 2
Allison Transmission MT4007EN 1000 2000 Product Family Mechanic's Tips 4th Gen
Allison Transmission MT4007EN allison 1000 2000 tips
Allison Transmission MT4007EN allison 1000, 2000 tips
Allison Transmission MT4015EN allison 3000 4000 tips
Allison Transmission MT4015EN allison 3000,4000 tips
Allison Transmission OM3656EN allison transnission 4000 EVS
Allison Transmission OM3758EN 1000-2000-operators-manual
Allison Transmission OM4118EN 1000_2000_operators
Allison Transmission P04009EN 1000 and 2000 Product Families Service Literature Operation 4th Gen
Allison Transmission PO3065EN1000 and 2000 Product Families transmissions of Operation
Allison Transmission SM3191EN 1000 and 2000 Service Manual
Allison Transmission SM4006EN 1000 and 2000 Service Manual 4th Gen
Allison Transmission TS2470 ALLISON TROUBLESHOOTING
Allison Transmission TS2470 Allison WTEC-2 Troubleshooting Manual
Allison Transmission TS2470 Allison-WTEC-2-Troubleshooting-Manual
Allison Transmission TS2470EN MD3060, MD3066, MD3560, MD3070PT, HD4060 HD4560(P)(R) B300, B400, B500(P)(R)
Allison Transmission TS2470EN WTEC D
Allison Transmission TS2470EN
Allison Transmission TS2973EN 3000, 4000, 300,400
Allison Transmission TS2973EN WTEC III
Allison Transmission TS2973EN
Allison Transmission TS3192EN 1000 and 2000 Troubleshooting Manual
Allison Transmission TS3192EN 2000 Series
Allison Transmission TS3192EN ELECTRONIC CONTROLS 1000 Series™ 2000 Series™ 2000MH Series 2400 Series™
Allison Transmission TS3192EN1000-2000-2400 Pre-4th Gen
Allison Transmission TS3192EN
Allison Transmission TS3192JA
Allison Transmission TS3353EN Allison Transmission 5000,6000,8000,9000 Series (CEC2) TS3353EN Troubleshooting Manual
Allison Transmission TS3353EN 5000, 6000, 8000, 9000 Series Transmissions Commercial Electronic Controls 2 (CEC2)
Allison Transmission TS3353EN CEC2
Allison Transmission TS3353EN
Allison Transmission TS3977EN 4th Gen 2000
Allison Transmission TS3977EN 1000 and 2000 Troubleshooting Manual 4th Gen
Allison Transmission TS3977EN1000 AND 2000 PRODUCT MANUAL
Allison Transmission TS3977EN1000-2000 4th Gen
Allison Transmission TS3977EN
Allison Transmission TS3977ES
Allison Transmission TS3977FR
Allison Transmission TS3977JA
Allison Transmission TS3977KO
Allison Transmission TS3977RU
Allison Transmission TS3989 Allison Transmission - Manual.RUS GEN4 GEN4
Allison Transmission TS3989EN 3000,4000 Series
Allison Transmission TS3989EN 4th Gen 30004-4000
Allison Transmission TS3989EN 3000 AND 4000 PRODUCT MANUAL 4TH GENERATION CONTROLS
Allison Transmission TS3989EN 3000 AND 4000 PRODUCT MANUAL ALLISON 4TH GENERATION CONTROLS Euro 4
Allison Transmission BH117L Trans Manual
Allison Transmission TS3989EN
Allison Transmission TS3989ES
Allison Transmission TS3989FR
Allison Transmission TS3989JA
Allison Transmission TS3989KO
Allison Transmission TS3989RU
Allison Transmission TS3989ZH
Allison Transmission TS7116EN 5th GENERATION CONTROLS TC10
Allison Transmission TS7138EN 1000-2000 5th Gen
Allison Transmission TS7149EN 5th Gen 3000-4000.pdf
Allison Transmission TS7337EN 5000,6000,8000 and 9000 Product Families CEC3
Allison Transmission TS7870EN 5000, 6000, 8000 and 9000 Product Families CEC5


ЕСЛИ ВЫ НЕ УВИДИЛИ В СПИСКЕ НУЖНУЮ МОДЕЛЬ АКПП,
ДЕЛАЙТЕ ЗАПРОС на E-MAIL
:catalog-good@yandex.ru


Разработчик: Allison Transmission

Установка: Windows -XP,7,8,10 (32-64bit)
Формат файлов PDF

Язык интерфейса: английский

Объем данных - 1,8gb

Стоимость Allison Transmission Service Manuals ( КОМПЛЕКТ) - 10000 руб.

Стоимость Allison Transmission Service Manuals любая ТОЛЬКО 1 модель АКПП - от 3000 руб.

Стоимость Каталога запчастей Allison Transmission Connector Kits Catalog rev.161225 - 8000 руб

ATSG каталог по ремонту и обслуживанию автоматических коробок передач.

Allison DOC - диагностическая программа, для работы с коробками передач Allison

Wurth WOW - диагностическая программа с мультисканером

Wurth WOW

Autocom CDP+ связь через USB и Bluetooth
Работает с протоколами SAE J1708, ISO11898-2 CAN, ISO9141-2, SAE J2411 VPW, SAE J1850, SAE J1850 PWM;




Узнайте подробности по телефону: 8 (926) 600-50-99.

Наш e-mail: catalog-good@yandex.ru

На главную.